SA(SAM、SAF、SAP、SLA)型單級雙吸中開離心泵輸送的介質溫度為-20℃--80℃,適用于輸送各種工業用水、生活用水、自來水及水利工程,農田排灌等用途。
SA型用于輸送清水或物理、化學性質類似于清水的液體。
SAM型用于輸送含有一定量的固體顆粒的腐蝕性液體。
SAF型用于輸送各類腐蝕性液體。
SAP型是在SA型泵的基礎上吸收消化國外同類泵技術上改型和擴充的一個新品種。
● 性能范圍:流量:72--9900m3/h 揚程:6.8—104m
所有泵均可根據用戶使用要求調整其運行參數。
● 結 構:SA(SAM、SAF、SAP)型泵為臥式安裝,吸入口與吐出口均在泵軸中心線下方,泵體水平中開,檢修時不需折卸進、出水管路。
SLA為立式安裝,吸入口和吐出口均在水平方向,泵體、泵蓋的分開面在軸中心線上垂直分開。
軸承:泵兩端均為滾動軸承(其中24SA--18、16SA--90可選用滑動軸承)支撐轉子部件,稀油或油脂潤滑。
軸封:①軟填料密封;②機械密封從電機端看,泵逆時針旋轉,也可按用戶要求制成順時針旋轉。
● 過流部件材質:泵的過流部件材質均為鑄鐵,如用戶需要可采用鑄鋼和銅制造,但需要在合同中注明。
● 型號說明:例:10SA(SAP、SAM、SAF、SLA)--6A
10一吸入口徑被25除(即吸入口徑為250mm)
SA--單級雙吸離心清水泵
SAP--SA改進泵
SAM--耐磨型單級雙吸離心泵
SAF--耐腐蝕型單級雙吸離心泵
SLA--立式單級雙吸離心泵
6--比轉數被10除化整的約數
A--葉輪第一次切割
結構說明:
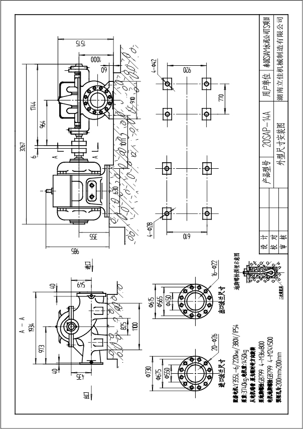
SAP型系列泵結構見圖所示
1、本型泵殼體部分主要由泵體、泵蓋、密封環等零件組成,泵為臥式安裝,泵殼于軸心線處分開,上部為泵蓋,下部為泵體,吸入口和吐出口均在泵軸線下方的泵體上,其中心線與軸線垂直。檢修時不需拆卸進水和出水管路,即可揭開泵蓋,取出轉子部件進行檢修和更換有關零件。
2、轉子部件由軸、葉輪、軸套、擋水圈、鎖緊螺母等零件組成,軸上零件均由兩端圓螺母鎖緊,并將整個主軸保護起來,從而提高軸的使用壽命,轉子上軸向力由葉輪自身平衡,剩余軸向力由滾動軸承承受。
3、軸承采用滾動軸承、干油潤滑。軸承裝在軸承襯套上成為一體,便于軸上零件的更換。軸際端蓋密封采用骨架油封。
4、軸封采用軟填料密封和機械密封兩種形式,供用戶選擇。
填料密封由填料套、填料環、填料和填料壓蓋等零件組成。填料部位的冷卻、潤滑均由水封管部件通過引用泵內自身水完成。
機械密封由非平衡型機械密封部件和壓蓋等零件組成。
機械密封部位的沖洗、冷卻水由水封管部件通過引用泵內自身水完成,也可接用外來水完成。
5、水封管部件由水封管、彎頭、和閘閥組成。
6、本系列泵采用彈性柱銷聯軸器由電機直接驅動。
7、泵的旋轉方向,從電機端向泵看,為逆時針方向旋轉,即吸入口在左,吐出口在右。
根據用戶要求,也可將驅動端移到泵的另一端。此時,轉向和吸入、吐出口方向均與上述相反。
泵 型 號 | 裝配部位 | 軸 承 名 稱 | 軸承規格 | 數 量 | 軸承體結構型式 |
6SAP-6 | 從動端 | 深溝球軸承 | 310 | 1 | 結構一 |
驅動端 | 深溝球軸承 | 310 | 1 | ||
6SAP-8 8SAP-10 | 從動端 | 深溝球軸承 | 308 | 1 | |
驅動端 | 深溝球軸承 | 308 | 1 | ||
8SAP-7 | 從動端 | 深溝球軸承 | 312 | 1 | |
驅動端 | 深溝球軸承 | 312 | 1 | ||
10SAP-6 12SAP-10 | 從動端 | 深溝球軸承 | 316 | 1 | |
驅動端 | 深溝球軸承 | 316 | 1 | ||
12SAP-4 | 從動端 | 深溝球軸承 | 6316 | 1 | 結構三 不帶軸承內套 |
驅動端 | 深溝球軸承 | 6316 | 1 | ||
14SAP-4 | 從動端 | 深溝球軸承 | 6319 | 1 | 結構三 不帶軸承內套 |
驅動端 | 單列向心短圓柱滾子軸承 | NU319 | 1 | ||
14SAP-10 14SAP-20 | 從動端 | 深溝球軸承 | 316 | 1 | 結構一 |
驅動端 | 深溝球軸承 | 316 | 1 | ||
16SAP-9J | 從動端 | 深溝球軸承 | 319 | 1 | |
驅動端 | 單列向心短圓柱滾子軸承 | 32319 | 1 | ||
16SAP-10 | 從動端 | 深溝球軸承 | 318 | 1 | 結構二 |
驅動端 | 深溝球軸承 | 318 | 1 | ||
16SAP-13 | 從動端 | 深溝球軸承 | 313 | 1 | 結構三 不帶軸承內套 |
驅動端 | 深溝球軸承 | 313 | 1 | ||
20SAP-4 | 從動端 | 深溝球軸承 | 6326 | 1 | 結構三 不帶軸承內套 |
驅動端 | 單列向心短圓柱滾子軸承 | NU326 | 1 | ||
20SAP-5 | 從動端 | 深溝球軸承 | 326 | 1 | 結構二 不帶軸承內套 |
單列向心短圓柱滾子軸承 | 2326 | 1 | |||
驅動端 | 單列向心短圓柱滾子軸承 | NU326 | 1 | ||
20SAP-6 | 從動端 | 深溝球軸承 | 326 | 1 | 結構二 |
單列向心短圓柱滾子軸承 | NU326 | 1 | |||
驅動端 | 單列向心短圓柱滾子軸承 | NU326 | 1 | ||
20SAP-10 | 從動端 | 深溝球軸承 | 324 | 1 | 結構一
|
驅動端 | 單列向心短圓柱滾子軸承 | 32324 | 1 | ||
20SAP-14 | 從動端 | 深溝球軸承 | 324 | 1 | |
驅動端 | 單列向心短圓柱滾子軸承 | 32324 | 1 | ||
20SAP-20 20SAP-22 | 從動端 | 深溝球軸承 | 316 | 1 | |
驅動端 | 深溝球軸承 | 316 | 1 | ||
20SAP-28 | 從動端 | 深溝球軸承 | 316 | 1 | |
驅動端 | 深溝球軸承 | 316 | 1 | ||
24SAP-6 | 從動端 | 深溝球軸承 | 328 | 1 | 結構二 |
單列向心短圓柱滾子軸承 | 32328 | 1 | |||
驅動端 | 單列向心短圓柱滾子軸承 | 32328 | 1 | ||
24SAP-10 | 從動端 | 深溝球軸承 | 324 | 1 | 結構一 |
驅動端 | 深溝球軸承 | 324 | 1 |
軸承型號及規格表二
泵 型 號 | 裝配部位 | 軸 承 名 稱 | 軸承規格 | 數 量 | 軸承體結構型式 |
24SAP-14 | 從動端 | 深溝球軸承 | 324 | 1 | 結構一 |
驅動端 | 單列向心短圓柱滾子軸承 | 32324 | 1 | ||
24SAP-18 | 從動端 | 深溝球軸承 | 324 | 1 | |
驅動端 | 單列向心短圓柱滾子軸承 | 32324 | 1 | ||
24SAP-28 | 從動端 | 深溝球軸承 | 319 | 1 | |
驅動端 | 單列向心短圓柱滾子軸承 | 32319 | 1 | ||
26SAP-10 | 從動端 | 深溝球軸承+單列向心短圓柱滾子軸承 | 6326 NU326 | 各1 | 結構二 |
驅動端 | 單列向心短圓柱滾子軸承 | NU326 | 1 | ||
28SAP-9J | 從動端 | 深溝球軸承 | 330 | 1 | 結構一 |
驅動端 | 深溝球軸承 | 330 | 1 | ||
28SAP-12 | 從動端 | 深溝球軸承 | 6326 | 1 | 結構三 |
驅動端 | 單列向心短圓柱滾子軸承 | NU326 | 1 | ||
28SAP-25 | 從動端 | 深溝球軸承 | 319 | 1 | 結構一 |
驅動端 | 單列向心短圓柱滾子軸承 | 2319 | 1 | ||
32SAP-9 | 從動端 | 深溝球軸承 | 330 | 1 | 結構一 |
驅動端 | 深溝球軸承 | 330 | 1 | ||
32SAP-10 | 從動端 | 深溝球軸承 | 6326 | 1 | 結構三 |
驅動端 | 單列向心短圓柱滾子軸承 | NU326 | 1 | ||
32SAP-12 | 從動端 | 單列角接觸軸承 | 37330BCB | 2(背對背) | 結構二 不帶軸承內套 |
驅動端 | 深溝球軸承 | 630(SKF) | 2 | ||
32SAP-13 | 從動端 | 深溝球軸承 | 6328 | 1 | 結構三 |
單列向心短圓柱滾子軸承 | NU328 | 1 | |||
驅動端 | 單列向心短圓柱滾子軸承 | NU328 | 1 | ||
32SAP-19 32SAP-25 | 從動端 | 深溝球軸承 | 324 | 1 | 結構一 |
驅動端 | 單列向心短圓柱滾子軸承 | 32324 | 1 | ||
36SAP-13 | 從動端 | 深溝球軸承 | 6326 | 2 | 結構二 不帶軸承內套 |
驅動端 | 深溝球軸承 | 6326 | 2 | ||
36SAP-28 | 從動端 | 深溝球軸承 | 324 | 1 | 結構一 |
驅動端 | 單列向心短圓柱滾子軸承 | 32324 | 1 | ||
40SAP-11 | 從動端 | 深溝球軸承 | 6236 | 1 | 結構二 |
驅動端 | 單列向心短圓柱滾子軸承 | NU236 | 1 | ||
44SAP-14 | 注:兩端伸軸 | 角接觸軸承 | 7336BCBM | 1對 | 結構一 |
單列向心短圓柱滾子軸承 | NU336 | 1 | |||
44SAP-25 | 從動端 | 單列向心短圓柱滾子軸承 | 32336 | 1 | 結構一 |
驅動端 | 深溝球軸承 | 334 | 1 | ||
48SAP-30 | 從動端 | 滑動軸承 | |||


安裝
注意:設備的管道系統,基礎和其它部分非泵廠設計,不屬于泵廠的責任范疇。泵廠愿意提供資料和建議,但不對這些方面的設計和操作負責。
我們建議用戶向精通基礎、管道裝置,油槽和有關裝置的設計專家咨詢,以補充和解釋泵廠的資料,確保安裝成功。
到貨檢查:
到貨后,應立即對設備進行驗收,因裝運引起的任何缺陷應立即報告給承運人。
拆包裝時要小心(見“搬運條款”)。包裝內應包括說明書文本和其它部件(如電機)的說明書及裝箱單。這些文件應放在一個安全方便的地方以供隨時參考,安裝前應掌握該手冊的全部內容。
泵的零配件可能裝于另外的包裝內,提貨時應檢查件數。
儲藏:
泵在存放和安裝期內應避免腐蝕,若泵需放置一段時間再安裝,請把它放在干涼而又干燥的地方,存放的位置要平穩,避免擠撞,蓋子請勿拆開。
如存放時間過長,泵要采取防銹措施,放在無腐蝕的地方。
搬動:
泵移動時要小心,如處理不當可能導致泵的損壞或永久失調,吊泵時要細心,勿彎曲或損壞水管。提升泵或零部件的設備應有足夠的起吊能力。
泵清洗:
泵運行前,泵腔內應用清水沖洗,清除銹蝕和運輸、存放、安裝過程中積累的雜物,若泵存放超過六個月,則應拆卸,清洗,檢查后才能運行。
安裝位置:
泵的安裝位置應恰當,并盡可能接近所抽液源,要保證有操作,維修,拆卸和檢查泵的適當空間。
主泵房應認真考慮,泵房應有足夠能力的起吊設備,當泵用電機驅動時,應考慮環境對設備的影響,房間要通風,避免過熱或過于潮濕。
基礎:
基礎必須牢固,并能吸收泵的振動和永久地支撐1.5倍的機組重量(包括電機)。和一般采用鋼筋混凝土作基礎。
地腳螺栓建議按下布置圖澆固在混凝土中,為防止轉動,螺栓的底部和套管上焊上一塊帶凸櫞的大墊片。一次灌漿的基礎面須低于底板下平面20~40㎜,以供二次灌漿用。

底板調平:
把設備放在基礎上,用楔塊或墊塊來調平底板,用水平儀檢查水平度,擰緊基礎螺栓,用水平儀重新檢查底板水平度。如有必要進行調整。
校準找正:
泵與電機的同心度至關重要,泵與電機是在工廠組裝配套的,但因裝運時底板變形,基礎螺栓的不均勻擰緊或管道發生彎曲變形等現象,致使泵與電機不同心。因此,泵運行前須重新檢查同心度。
確信泵體與底板緊固在一起后,取下聯軸器螺栓,然后用千分尺或塞尺檢查泵的偏差情況。每隔90°測量聯軸器間距,一般泵和電機聯軸器之間留3~5㎜間隙。
用直規(刀口尺)橫過兩聯軸器每隔90°測量徑向位移情況,并用塞尺測量誤差(位移)數值。
現場電機安裝:
關鍵檢查電機偏心率。
泵和電機在工廠精心安裝時,應檢查旋轉部件的偏心率。
泵和電機安裝調整時,必須堅持電機聯軸器的偏心率,因現場安裝時電機軸偏心率漏檢,經常發生軸被損壞的現象。
管道:
設備安裝后,要連接吸入和排出管道,請勿用泵作為管道支架,所有管道均不能用泵支撐。安裝附件時,注意避免讓泵承受任何壓力,管道應多用直管少用彎管,以減少水頭損失。
在使用彎管時,泵進出口前后的直管部分應至少為管徑的5~10倍長。
管道連接后,應按上述要求再次檢查設備的調準情況。
出水管道:
出水管道必須比原排出口大一個規格,習慣上在出口管道上裝一個閘閥和止回閥比較好,止回閥能防止停機時回流對泵的損害(泵廠對未裝止回閥的損壞不負責任)。為便于檢查,止回閥應裝在閘與泵之間,閘閥也便于灌引水和泵的起動。
例外:大流量低揚程泵如:冷凝循環泵和灌溉用泵可不裝止回閥。
吸入濾網:
為防止新管道內存在的雜物堆轉動配合的損壞至關重要。清除雜物可在吸入管道上盡可能接近泵吸入口處裝一個濾網,濾網的有效面積應大于吸入管截面積。在濾網的兩邊裝上壓力表來測量濾網的阻力。當設備起動時,請仔細觀察濾網兩側壓力表,如兩個壓力表的壓力差異常增加,說明濾網已被污物和水垢堵塞,這時應停止泵的工作,清除雜物或更換濾網。當管路污物清除完后,取掉濾網。
四、起動前檢查:
填料和機械密封:
首先確定您的泵是否裝有機械密封或通用填料,如果填料或機械密封是在工廠安裝的,可以直接使用。
注意:以上兩種軸封形式的選用和安裝,可根據用戶要求確定。
填料的具體裝法如下:
首先,拆下填料壓蓋,取出水封環,仔細清掃函內和軸上的污物,然后裝入兩根環形填料,切口錯開180°,然后裝上水封環,并使其與填料函內潤滑水孔對齊。再裝填料,最后將剩下的填料壓蓋裝上。均勻擰緊壓蓋螺母后再松開,用手復緊到指緊的程度,這樣就可以保證適當的泄漏量使填料得以潤滑。
注意:填料壓蓋不要擰得太緊,使填料停止泄漏。少量的泄漏可以使填料得以潤滑,如停止泄漏將會引起填料燒損和軸套插傷。
機械密封安裝:
請參照機械密封樣本尺寸及要求進行安裝。
電機準備及潤滑:
請按電機廠的說明做好電機的操作準備。接線后,旋轉方向務必與泵上的箭頭方向一致,在聯軸器未連接時就要確認。
注意:聯軸器連接前,必須檢查電機轉向,設備的旋轉方向不正確會引起設備的損壞和人員的傷害。
電機驅動時,請注意電機銘牌標明的電壓和頻率須與線路一致。檢查所有的接線頭并根據線路圖操作。電機的潤滑參照電機廠的說明進行。
軸承:
裝滾動軸承的泵用黃油作潤滑劑,注入軸承體時,以占軸承體空間的70%為宜。
五、操作:
起動前的檢查全部完成后,請注意以下的操作準備起動泵。
泵起動:
1、用手轉動轉子至少一周,觀察所有零件是否旋轉自如,因為安裝運輸過程不妥,管道變形可能會引起轉子的咬合、摩擦。
2、給泵灌引水、用液源的水倒注,或用其它水源注入,或采用抽真空的方法均可。
3、檢查系統布置。管道布置合理能使泵有效地輸送所抽液體,每次泵起動,當排出管道無壓力時,務必關閉出口閘閥。
4、如果填料函為外接水封,需要外接水源有充足的壓力以產生適當的流量,如果接泵體壓出室外的壓力水則請用泵本身的水封管部件。
5、啟動驅動機,使泵增速并讓內部零件得到潤滑。
6、泵達到額定轉速,請逐漸打開吐出閥以避免速度突變和吸入管內壓力波動。在任何時候請勿長時間關閉運行,否則泵內的液體就會增熱甚至達到汽化的程度,使泵擦傷卡住,或使泵斷流失去吸入能力。
7、調節閥門控制填料函密封水,確保適當的泄漏,使填料得到充分潤滑,在適量的泄漏下保持壓蓋盡可能的松很重要,正常的泄漏量為10~15滴/分。如壓蓋過緊,則造成軸套和填料的磨損,同時增加機械損失。
8、短時間運行后,應檢查所有螺栓的松緊情況,同時檢查聯軸器的同軸度和轉子的靈活情況。
停機:
1、當停止水泵時,要慢慢關閉吐出閥門和真空計旋塞,然后停止電動機,并關閉壓力旋塞,若所處環境溫度較低時,應將泵體最下方的旋塞打開,放出泵內余水,以免凍裂。
2、當長期停止使用水泵時,應將水泵拆開擦干零件上的水,并在加工面上涂上防銹油,妥善保存。
操作檢查:
1、注意軸承溫度,一般不超過外界溫度35℃,最高溫度不應超過75℃。
2、填料需要少許泄漏以便冷卻和潤滑,請按前述方法調整壓蓋。
3、定期檢查彈性聯軸器。
4、水泵運行過程中應進行周期性檢查,葉輪與密封環的間隙磨損過大時,應更換葉輪或密封環。
六、大修時的正規維修程序
填料更換:
當填料磨損到泄漏不能控制的程度,建議更換填料。首先旋下羅馬,取下壓蓋,用夾子或鉤子取下填料和水封環,然后徹底清洗填料函體,然后檢查并更換磨損了得軸套,重新裝上新的填料,請參照前述的“填料的具體裝法”。
機械密封更換:
為更換機械密封,泵應拆卸,然后取下機械密封零件,換上新品,壓蓋也應徹底清洗,并換上新的“O”形圈。
從動端:
1、卸下軸承端蓋,松下縮緊園螺母,取下軸承。
2、取下軸承體和擋水圈。
3、取下壓蓋螺栓和壓蓋。
4、取下軸套和“O”形圈。
5、取下帶機械密封部件的軸套。
6、將動環在軸套上的位置劃上標記線,然后從軸套上取下來。
7、在軸套上裝上新的機封零件,并調到劃線位置。
8、在軸上裝上軸套,“O”形圈,安裝壓蓋及壓蓋螺栓。
9、安裝軸承襯套、軸承、擋水圈和鎖緊園螺母并擰緊。
10、安裝軸承體、軸承端蓋、裝上螺栓。
對驅動端機械密封的更換程序同上。
拆卸泵的程序:(請參考泵的結構圖)
1、斷開電源接頭
2、斷開聯軸器
3、停止泵的其它輔助系統的工作
4、拆下任何可能妨礙拆卸的輔助管道
5、排出泵體內的水
6、旋下填料壓蓋螺母,取消壓蓋(若使用機封,需取下壓蓋螺栓)
7、卸下中開面螺栓
8、卸下泵蓋
9、取下軸承體螺栓
10、吊下轉子部件,放在架上
11、卸下鎖緊聯軸器的園螺母
12、卸下聯軸器
13、卸下軸承襯套、軸承、軸承壓蓋、軸承體、擋水圈
14、取下葉輪擋套,“O”形圈、水封環、填料及填料襯套或卸下帶機封的軸套(用機封時)
15、取下泵體口環
16、取下葉輪、鍵
零件檢測:
更換標準的泵體口環,同時應全面檢查軸承看是否有疲勞痕跡,如有請更換。
機械密封檢驗:
1、檢查靜環和動環的密封面看是否有磨損或裂痕。
2、檢查“O”形圈是否有損壞。檢查所有墊片和彈簧。
3、安裝機封時請參照“機械密封更換方法”進行。
泵體、泵蓋中開面檢查:
由于泵體、泵蓋中開面密封是用膠密封,因此,對中開面的膠必須清理干凈,確保重新安裝時的密封效果。
泵重新組裝:
1、裝上葉輪鍵,將葉輪裝在軸上,再在葉輪上套上泵體口環。
2、裝上葉輪擋套、軸套、“O”形圈、填料襯套、水封環及填料壓蓋。
3、裝帶有機封的泵時,將裝好了的機封的軸套、壓蓋裝于泵上。
4、裝擋水圈,油封,軸承壓蓋和軸承體。
5、將裝好軸承的襯套一起裝在軸上。
6、在軸的從動端裝上鎖緊園螺母,端蓋墊和軸承端蓋。
7、在軸的驅動端裝上端蓋墊,軸承端蓋,聯軸器和鎖緊螺母。
8、吊轉子部件置于泵體中。
9、確定泵體口環與銷的位置是否正確。
10、裝上軸承的螺栓。
11、在泵體的中開面上均勻的涂上密封膠。
12、裝上泵蓋和中開面螺栓,并均勻對稱的擰緊螺栓。請檢查轉子的軸向間隙,該間隙應在0.15~0.2㎜之間,同時請確認轉子轉動靈活。
13、裝填料,請參考“填料的具體裝法”。
14、把擋水圈裝在離軸承體1~6㎜。
15、裝聯軸器柱銷,檢查與電機的同軸度,如有必要應進行調整。
七、可能發生的故障及解決辦法
故障 | 原因 | 解決辦法 |
1、水泵不吸水,壓力表及真空表的指針在劇烈擺動 | 注入水泵的水不夠,吸入管路水管或儀表漏氣 | 再往水泵內注水或擰緊堵塞漏氣處 |
2、水泵不吸水,真空表表示高度真空 | 底閥沒有打開,或已淤塞,吸入管路阻力太大,泵安裝高度太高 | 校正或更改底閥,清洗或更改吸入管路,減低吸水高度 |
3、看壓力表水泵出水處是有壓力,然而水管仍不出水 | 出水管阻力太大,旋轉方向不對,葉輪淤塞 | 檢查或縮短水管及檢查電機,取下水管接頭,清洗葉輪 |
4、流量低于預計 | 水泵淤塞,口環磨損過多 | 清洗水泵及管子,更換口環 |
5、水泵耗費的功率過大 | 填料函壓得太緊,填料函發熱,因磨損葉輪壞了,水泵供水量增加 | 擰緊填料函,或將填料取出來打方一些,更換葉輪,增加出水管路的阻力,來降低流量 |
6、水泵內部聲音反常,水泵不上水 | 流量太大,吸水管內阻力太大,吸水高度過大,在吸水處有空氣滲入,所輸送的液體溫度過高 | 增加出水管得阻力以減低流量,檢查泵吸入管內阻力,檢查底閥減少吸水高度。擰緊堵塞漏氣處。降低液體溫度 |
7、軸承過熱 | 沒有油,水泵軸與電機軸不在一條中心線上 | 注油,把軸中心校準 |
8、水泵振動 | 泵軸與電機軸不在一條中心線上或泵軸傾斜了 | 把水泵和電機的軸中心線對準 |
型譜圖(Performance Charts)



